Home > Piezo Buzzers

  • Automotive Buzzer HP4216AXW
Automotive Buzzer HP4216AXW

Automotive Buzzer HP4216AXW

  • Automotive Buzzer
  • Car Door Buzzer
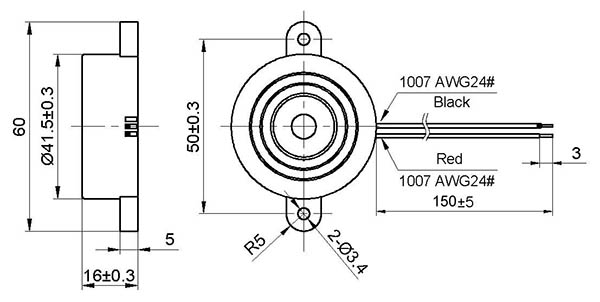
  • Product description: Automotive Buzzer, Car Door Buzzer HP4216AXW Datasheet Internal-Driven Piezo Buzzer ,Lead wire type , Dia 42 x16mm Worked with 12V DC , Output2.9~ 3.1K Hz 100dB at 10cm
  • INQUIRY

Automotive buzzer ( Car Door Buzzer)  is an electromechanical or piezoelectric audio signaling device that converts low-voltage DC signals (typically 12V) into audible alerts, such as beeps, clicks, or alarms, to inform drivers of system statuses. They enhance safety by providing, for example, seatbelt, door-ajar, or reverse, warnings .

Automotive Buzzer, Car Door Buzzer HP4216AXW

Buzzer Datasheet: HP4216AXW PDF Datasheet Download
Lead wire type
Internal Driven Piezo Buzzer (With oscillator circuit)
Dia 42 x16mm Worked with 12V DC , Output2.9~ 3.1K Hz 100dB at 10cm

Type

UNIT

HP4216AXW12

HP4216AXW24

*Min. Sound Output at10cm

dB

100

105

Rated Voltage

VDC

12

24

Operating Voltage

VDC

3~20

18~30

Resonant Frequency

Hz

2900±500

3100±500

*Max. Current Consumption

mA

15

20

Tone Nature


Continuous

Continuous

Operating Temperature

°C

-20~+70

Storage Temperature

°C

-30~+80

Weight

g

13.5

Value applying at rated voltage

DIMENSIONS     Unit:mm     Tolerance:±0.5